摘要:介绍水箱式拉丝机工作原理及吉泰科GK600S变频器在水箱式拉丝机上的应用方案
一、钢帘线行业简介
钢帘线是橡胶骨架材料中发展最为广阔的产品,也是在金属制品中生产难度最大的产品。国际合成纤维标准化局在标准中对钢帘线的定义是:“由两根或两根以上钢丝组成的,或者由股与股的组合或者由股与丝的组合所形成的结构。”
钢帘线钢帘线是随子午线轮胎的发展而发展的,而子午线轮胎又是汽车工业和高速公路的伴生物。
传统的斜交胎是用纤维(如聚酯帘线、尼龙帘线)作为骨架材料的,而新型的子午线轮胎则选用钢帘线作为骨架材料,按其结构可分为全钢子午线轮胎和半钢子午线轮胎,前者的带束层和胎体全部采用钢帘线作为骨架材料,后者的带束层用钢帘线、胎体用纤维作为骨架材料。轿车、轻型卡车一般采用半钢子午线轮胎,载重型卡车、工程机械车采用全钢子午线轮胎。
二、水箱拉丝机介绍
水箱式拉丝机是由多个拉拔头组成的小型连续生产设备,通过逐级拉拔,并将拉拔头置于水箱中,最后将钢丝拉到所需的规格。就国内几个主要水箱式拉丝机生产商来看,一般配置了20个左右的拉拔头。通过每一级的拉拔后,钢丝的线径发生了变化,所以每个拉拔头工作线速度也应有变化。在整个拉拔过程中,只需要1台电动机通过机械传动或齿轮箱来驱动。根据拉模配置的不同,各个拉拔头的拉拔速度也要变化。拉拔速度的基准是每个时刻通过拉模的钢丝的秒流量体积不变,即要使下式成立:
πDv1=πdv2
式中D——进线钢丝的直径
v1——进线钢丝的线速度
d——出线钢丝的直径
v2——出线钢丝的线速度
水箱式拉丝机的各个拉拔头的工作速度就是基于以上的公式,保证各个拉拔头同步运行。由于水箱式拉丝机的拉丝过程完全通过机械轴拉拔完成,并且这些机械轴是在同一主轴下传动的,因此整个拉伸系统各级之间依靠拉伸轮的转速差别和线上张力来控制同步协调工作。
工作时需要冷却液进行散热。收线部分用1台小功率电动机拖动,需要保持收卷时线上张力保持恒定,若这一段张力波动,收卷的工字轮上的绕线将会不均匀。拉丝机结构示意图如下:

三、吉泰科解决方案
本系统无需前级给定,无需计算卷径,不需卷径复位。仅接摆杆电位器即可。
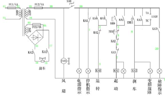
1. 电气原理图如下:



2. 调试步骤
GK600S出厂默认为主机F5-00=0,默认参数即为按照上面图纸接线参数,除电机组参数,其他无需更改,如未上上述方式接线,请自行更改输入输出端子功能。
收线部分只需更改F5-00=1,默认参数即为按照上面图纸接线参数,除电机组参数,和摆杆位置需要校正,其他无需更改,即可保证正常运转。
按照图纸接线需要设置的主机和收线参数设置(与出厂值不同的):

如自行接线需设置的相关参数如下:
主机,以下均为设置为主机时的出厂默认值:

收线,以下均为设置为收线时的出厂默认值:

3. 调试流程:


4. 调试注意事项
1) 电机辨识过程是必须的,电机辨识时,如能脱开负载做旋转辨识(d0-22=2)能达到最佳的控制效果,如实在无法脱开负载,请做静止辨识d0-22=1,GK600S主机和收线控制方式均为A0-09=0,V/F控制。
2) 注意要保证摆杆最小位置与最大位置位置是成线性关系的,可通过U0-21观察,正确的变化应该是从0-100平稳变化,不能出现跳变的情况,如出现请检查电位器。
3) 在启动时如果不平稳,请调节F5-30启动负偏差响应时间,能明显改变启动时的响应快慢,即摆杆启动到达平衡位置的时间
4) 摆杆恒速运行时不稳定,请调整F0-08,F0-09,多数场合无需调整。
四、 结束语
目前使用吉泰科GK600S变频器的水箱式拉丝机,已经在多个金属制品厂家长期运行,设备运行稳定,获得客户好评。
如果您有机床行业、企业相关新闻稿件发表,或进行资讯合作,欢迎联系本网编辑部, 邮箱:skjcsc@vip.sina.com




