简易花盘角铁式车床夹具的设计与应用
2016-12-30 来源:秦岭特种电气有限责任公司 作者:陈继昌
摘要:本文介绍了一种简易花盘角铁式车床夹具,该夹具采用鸡心卡箍的压紧方式,该夹具结构简单、外形轮廓小、制造容易且操作方便。
1. 问题的提出
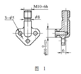
某产品零件弯管接头是锻件毛坯,头部M10—6h外螺纹和φ 8mm环形槽如图1所示。以往z工该螺纹是在车床上通过四爪单动卡盘找正后,车螺纹和环形槽,既费时又费力,加工位置精度不稳定,需要经验丰富的老师傅来完成,这种情况制约了生产周期和产能的提升。为解决生产中这一瓶颈问题,设计了一套车床夹具,以完成外螺纹和环形槽的加工。
2. 车床夹具的结构及工作原理
弯管接头车外螺纹和环形槽, 常采用花盘角铁式车床夹具,采用的压紧方式为两边压板压紧,使夹具体轮廓尺寸变大,制造需要专业工装厂生产,且生产周期长,难以满足生产需要。在这种情况下,大胆采用磨床夹紧工具鸡心卡箍,使夹具体轮廓尺寸明显变小,制造容易,一般机加车间均能制造,解决了生产需要。
简易花盘角铁式车床夹具如图2所示,夹具体是在φ 42mm圆柱体铣一台阶,保证台阶面与圆柱体中心偏离(6±0.02)mm,符合零件底面与螺纹中心的要求; 再以φ 5 -0.010-0.028mm菱形销及φ 1 0 +0.02+0.01m m 孔与弯管接头中φ10 -0-0.025mm及φ5mm孔定位,其中弯管接头3个φ 5mm孔中用于定位的φ 5mm孔按φ 5+0.05+0 mm加工;最后用鸡心卡箍将弯管接头压紧在夹具体台阶面上, 车M10—6h外螺纹和φ 8mm环形槽,使其尺寸符合图样要求。
3. 结语
该车床夹具结构简单、制造成本低且使用效果好,降低了对操作人员的技术要求,对其他类似零件的生产具有借鉴作用。


投稿箱:
如果您有机床行业、企业相关新闻稿件发表,或进行资讯合作,欢迎联系本网编辑部, 邮箱:skjcsc@vip.sina.com
如果您有机床行业、企业相关新闻稿件发表,或进行资讯合作,欢迎联系本网编辑部, 邮箱:skjcsc@vip.sina.com




