消除数控车床Y向偏差修正技术方法研究
2016-8-1 来源:辽宁省建平县职业教育中心 作者: 张俊义
【摘要】文章对数控车床有刀偏与无刀偏状态中的Y向偏差变化情况进行了对比论述,通过分析与研究Y向偏差的相关内容,进而应用合理的方法进行解决。将Y向偏差的计算公式总结了出来,总结出了车削比基圆大或者小时的Y向偏差的相应改变规律,目的是将工件的加工精度提升上来。
【关键词】数控车床;Y向偏差;修正技术
在试验的时候,通过数控车床加工零件,能够发觉工件Y轴处的具体尺寸同程序的对应理论数据会存在一定的差异。也就是我们在研究中所称之的Y向偏差,但是,在解决这种偏差时,刀偏补偿的方法在其中根本不会发挥作用。所以,需要不断的分析和研究Y向偏差,进而制定对策解决其中可能出现的问题,为促进我国生产制造行业的发展奠定良好基础。
一、Y向偏差的相关阐述
在很多行业的发展中,都离不开数控车床的支撑,并且,很多工程中所应用的零件都是通过数控车床加工出来,所以说,它是促进生产的关键所在,对于其技术技巧不容忽视。但是,在具体的应用中,因为多方面因素的制约,还经常会有问题出现,例如,有不规则的偏差会经常的出现在工件的Y轴中,所以,对于零件的加工精度必然会带来很大的影响,因此,就需要采取有效的对策进行解决。
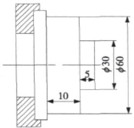
首先利用这样一个案例先了解和掌握下Y向偏差的相关内容。如下图所示:

图一
整个图为数控卧车加工图,其中基准圆就可以用Φ60和Φ30表示,图二表示以刀架出发看工件方向的视图。在-Y向,刀尖同X轴会存在5毫米的偏差,并且车削Φ60的几何关系也会被呈现出来。在图示中,OA和OA丿的值都为15毫米,并且半径为Φ30;OB为半径Φ60,长度为30毫米。AB=A丿B丿=CD=15毫米,是Φ30和Φ60的半径差,
B丿D=A丿C=5毫米,刀具的Y向刀偏就可以通过它被表示出来。因为有5毫米Y向的刀偏存在于刀尖中,而且OB丿才是车出的外圆半径,而不是OB。
而且通常选择出一把刀作为多刀加工时的基准刀,这样可以用零表示其Z和X向的刀偏量,并且,通常都是在基准到偏量的基础上确定出其他刀具的刀偏量的,进而在设定刀具的补偿时,也可以按照这样的方式去做。并且,这种刀补方式基础上的Y向偏差为我们所要重点研究的内容。

图二
二、对于有刀偏的Y向偏差与Y向无刀偏
在纠正所出现的偏差时,需要对两个大方面进行掌握,首先,对于整个机床的机械机构要有一个全方位的了解,同时对于各个部件的结构原理也要明确;尤其是Y轴的结构形式。其次,对于机床设备的操作规范及机床设备在工作时的动作次序等也应该进行详细的了解与掌握。同时,对于其中可能存在的安全隐患必须要预先进行考虑和分析,再者,明确其中的报警情况。
如图三所示,展现出了用有Y向偏差与无Y向刀偏的刀具车削会分别的大于或者小于对刀的基准圆。
在这个图中能够清晰的发现,OA`=OA等于R基础。而且是对刀的基础圆半径;其中,无Y向刀具车削出的大圆半径和小圆半径OC和OB表示,其中有Y向刀偏的刀具车削大圆半径和小圆的半径就 可以通过OB`和OC`表示。
其中R基-R小=DD`=AB=A`B`
R大-R基=DD"=A`C`=AC
△为Y向刀偏=C`D"=B`D`=A`D
R小于R大是通过无Y向刀偏的刀具车削出来的,并且同图纸的相关标准是相吻合的,并且R`小与R`大是通过有Y向刀偏的刀具车削出来的。因此,可以按照图中所示的几何关系完成相应的计算。

车削的大圆与小圆的Y向偏差即为:
2(R`大-R大)(负值)=S大;对应的,2(R`小-R小)(正值)=S小。
那么,在设备装具体运行的时候,为了将其中存在的这一偏差消除掉,在修正中,可以利用更改X轴坐标的进刀量来完成,同时,通过图三也能够导出修正值S`大和S`小的具体数值。并且,通过表格列出R基、R小 和R大赋值计算得出的R`大和R`小的数值。
首先,在对较基准圆R基小的圆R小进行加工的时候,车削出的R小会小于R`小。当存在相等的R基时,这样,随着R小的数值的不断增大,Y向的偏差就会不断的减小,在R小的数值稳定不变时,这样在增大了△之后,也会相应的增大。
其次,在对R大加工时,因为它要比R基大,车削出的R大会比R`大要大,存在相同的R基时,随着R大的增大,Y向偏差会不断的减小,存在着相同的R大时,在增大了△之后,对应的就会减小。再次,当存在相同的R小时,越大的R基,就会有越大的Y向偏差,当R大相同时,越大的R基,相反就会有越小的Y向偏差。
三、修正Y向偏差的具体方法
为了将各个加工件的加工精度提升上来,就需要将各个刀具的Y向刀偏△消除掉,进而将存在的Y向刀偏消除掉。在1毫米之内调整卧车的Y向刀偏是比较容易的。通过上述分析能够得知,当1≥△时,就会有很小的Y向偏差存在于其中。
但是,当难以有效的消除刀具的Y向刀偏时,(特征是精车刀),可以对这样的方法进行应用:
首先,只存在1个刀干精车时,能够划分成两种可能:①、只是对一个精车圆进行车削时,可以用对刀使用的基准圆R基来定义此圆。在对刀的时候能够得到R基,同时,也能够在已车完毕的工件中获取到。②、对两个以上的精车圆进行车削时,车基准圆就是其中的一个,剩下的能够按照试切调刀是的得出的圆大小,将Y向刀偏的具体数值求得出来,然后,在通过计算,将X周的坐标修正值计算出来,然后,在修改程序的基础上,完成相应的补偿。为了能够更加透彻的阐述清楚,我们可以通过这样的案例加以说明:
Φ100Φ50为精车外圆的半径,要求合理的控制其偏差值,基准圆为um.Φ100.当车削控制在Φ99.990的时候才算是合格;超差维持在Φ50.500。
一旦在-4 0 u m之内控制Φ50的偏差,这样0.0 4 0+0.520=0.560mm即为-X向的修正值。换句话说,多向精车Φ50的程序段内进刀0.560的直径量,以毫米为准。
其次,在精车的时候,应用两把以上的刀也会存在着两种可能。①、当各个刀只对单独的精车圆进行车削的时候,这时,就可以对多基准的方式进行应用,这种方式非常的特殊,通常为各对各,就是在定刀偏量的时候,不会按照基准刀去定义,而是将每个单独的精车圆视作自身的对刀圆。通上文所述的相同,可以通过车削好的工件中得到这些圆。②、当两个以上精车圆被各个刀车进行车削时候,也可以按照上文所述的方式进行处理。
结语:
综上所述,一旦有Y向偏差问题出现在数控车床中,对其加工出的零件必然带来很多影响,导致零件和原来设计的标准尺寸间存在较大差异。我们知道,当同一把刀存在Y向偏差时,对不同直径的圆进行车削的时候,会展现出不同的Y向偏差,存在着越大的直径,就会有越大的偏差。所以,需要在较高的标准内控制车削的精度值。当存在较大的上下底面直径时,应该向着最小的范围内调整所用刀具的Y向刀偏,只有这样,才能够确保在标准内控制Y的方向,消除其中存在的一些偏差。
参考文献
[1]王亚玲,胡辉,魏红根.数控机床维修实例[J].制造技术与机床,2010(01):131-132.
[2]谢东,丁杰雄,杜丽等.高速加工运动性能预测方法研究[J].农业机械学报,2014(06):896-898.
[3]李侯强.经济型数控机床加工中误差来源分析及其对策[J].中国新技术新产品,2015(18):789-791.
投稿箱:
如果您有机床行业、企业相关新闻稿件发表,或进行资讯合作,欢迎联系本网编辑部, 邮箱:skjcsc@vip.sina.com
如果您有机床行业、企业相关新闻稿件发表,或进行资讯合作,欢迎联系本网编辑部, 邮箱:skjcsc@vip.sina.com




