1 引言
利用平面磨床加工各种零件的平面时,尺寸公差可达IT5 级-IT6 级,两平面平行度误差小于0.01mm,表面粗糙度一般可达Ra0.4~0.2,精密磨削可达Ra0.01~0.1。但是如果在磨削方法、砂轮、磨削用量的选择等方面出现失误,则加工质量将急剧下降,甚至出现废品。其中工件表面波纹的出现将大大影响工件表面粗糙度和美观程度,因此,在对工件进行平面磨削时如何预防和消除表面波纹,显得极为重要。
2 波纹类型及预防
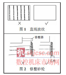
2.1 等距的直线波纹
平面磨削时工件表面如出现图1 所示等距离分布的直线波纹,表明存在着强迫振动,其振源主要来自砂轮或电动机的不平衡。因此,应检查并调整磨头电动机的转子与定子间隙是否均匀。修整砂轮时,金刚石应安装在工作台面上,而不宜装在砂轮架滑枕外端,见图2,由于这种装法砂轮修整时向前移出甚多,磨头因自重而倾斜变形,造成砂轮母线与磨头移动方向不平行,磨削时砂轮与工件接触不良。砂轮振动又会使修整器同时振动,而影响砂轮的修圆效果。因此砂轮修整器应放在工作台面上,且位于磨削工件的位置,这样可通过修整来减小砂轮不平衡量的不良影响。

2.2 单条波纹
平面磨削时,如工件两边出现单条波纹或一边出现单条波纹(见图3),说明工作台换向时产生冲击,而使磨床的立柱摇晃。当工作台换向后,工件再次进入磨削,此时立柱正在晃动,因而工件的两边或一边出现单条波纹的缺陷。故应调整工作台换向撞块的位置,使之适当,调整工作台换向节流阀螺钉,减小工作台换向冲击。

2.3 菱形波纹
磨削平面时如出现菱形波纹,说明砂轮与工件有振动(见图4)。由于砂轮每分钟转数与工作台每分钟行程次数之比,多数情况下不是整数,因此出现菱形波纹比出现等距分布的直形波纹的机会要多。故应提高磨头系统刚度,适当减小垂直进给量。
2.4 表面拉毛

平面磨削时,工件表面可能留下磨屑,或砂轮罩壳上落下的磨屑、砂粒落入工件、砂轮之间一同运动,而产生拉毛划伤(见图5)。改进冷却液喷嘴,经常清理砂轮罩壳等,可以防止表面划伤(见图6)。此外,为了有效防止拉毛,平面缓进给精磨时不宜采用逆磨(见图7),如采用逆磨,磨削液不易进入磨削区,脱落的磨粒会擦伤已加工表面,故精磨时应采用顺磨,其冷却条件好,可顺利地把磨削液带入磨削区,当有磨粒脱落时,只会落在已加工表面上,被磨削液冲走,不会划伤已加工表面,而获得较低的表面粗糙度。
另外,磨削时为了能使磨削液不分流而进入磨削区,以防止工件烧伤,应在易烧伤端紧靠零件处装一导流板进行导流。顺磨时由于有待加工面可以导流,开始磨削时磨削区有充分的磨削液,当工件磨至末端时磨削液开始分流,致使磨削区内磨削液不足而出现烧伤拉毛,故顺磨时导流板应装在工件末端。而逆磨时导流板应装在工件的始端,以防止工件烧伤拉毛,如图8。

3 砂轮的改进
采用厚度方向开槽的碳化硅砂轮磨削平面工件时,工件受到的是间断磨削力,磨削质量好,能有效地防止表面烧伤和波纹的产生。图9 为平形砂轮的开槽形式:

(1)沟槽的配置方式采用90°内不等分,圆周上槽数一般为12~24;
(2)在圆周上制成斜槽,斜角为25°~35°。方向为右旋;
(3)沟槽在圆周上对称分布,沟槽宽度、深度一致。为了更好地减少工件与砂轮的接触面积,改善冷却与排屑条件,还可以选用如图10 所示的镶块砂轮。

4 结语
平面磨削时表面波纹的出现原因是多方面的,加工时应根据波纹的形状判别波纹形成的原因,然后再采取相应的改进措施以预防之。
如果您有机床行业、企业相关新闻稿件发表,或进行资讯合作,欢迎联系本网编辑部, 邮箱:skjcsc@vip.sina.com








