【摘要】五金模具制造维修工作中,小直径(≤?5mm)冲孔凸模在传统加工工艺中,由于受到切削力影响,极易产生变形、折断等质量问题,降低生产效率。采用电火花加工,有效避免冲孔凸模在制造过程中受切削力影响所造成的变形、折断等质量问题;而且脉冲参数调节方便,可以连续进行粗、中、精加工。本文主要介绍小直径冲孔凸模电火花加工与传统加工的区别及方法。
关键词:小直径;冲孔凸模;电火花加工
1 、引言
冲孔凸模加工工艺在五金模具制造加工中有很重要的作用,传统机械加工中,特别是小直径(≤?5mm)的冲孔凸模,在加工中冲孔凸模会受切削力、切削热的影响,产生变形甚至折断的现象较多。一般采用减小切削力的加工方法来防止,但成效不大,还影响生产进度和效率。在五金冲孔模具维修工作中更换小直径(≤?5mm)冲孔凸模的工作中一直存在着一些加工难题。而采用电火花加工中小直径的冲孔凸模,可取得良好的加工效果和效益,具有实用价值。
2 、传统机械加工工艺问题分析
2.1 冲孔凸模传统加工存在的问题
冲孔凸模(见图1)的一般传统加工工艺:两端打中心孔粗车→一夹一顶精车至放磨余量→热处理→研磨中心孔→外圆磨床磨削工作部分直径至要求精度→配磨冲孔凸模颈部与固定板到过渡配合程度→与固定板装配后磨平顶部→平面磨床磨削刃口部分。

直径小于?5mm的冲孔凸模,很难加工出外圆磨削所需要保证冲孔凸模同轴度的顶针孔;即使加工出顶针孔,磨削冲孔凸模刃口时也基本要全部磨掉,以保证刃口的强度。传统解决方法一般采用在冲孔凸模长度方向增加工艺部分来加工顶针孔,外圆直径磨削加工完成后再磨去工艺部分,之后再磨削刃口部分;在外圆磨床或工具磨床上磨削冲孔凸模外圆时,容易出现出现“腰鼓形”、“倒锥形”等形状变形误差。采用小进给量、多次“光刀”,加工周期长,材料浪费大,操作难度较高,对操作工人的技能要求较高,不利于提高生产效率。
2.2 冲孔凸模与固定板的装夹问题
冲孔凸模与固定板(见图2)上相对应的台阶孔(孔位置由线切割加工保证)配磨装配好后,在平面磨床上进行磨削加工。

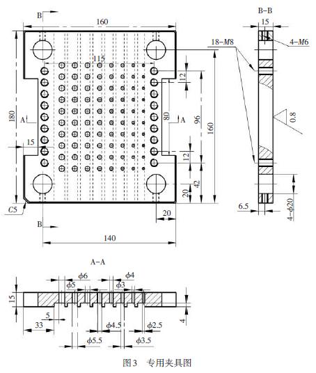
冲孔凸模在刃口部分没有磨削之前,各冲孔凸模的长度有一定的误差,且刃口端面与冲孔凸模轴线垂直度也有误差,不能在磁吸盘上形成装夹基准面,该冲孔凸模的长度大于钳口铁的高度,所以该冲孔凸模底部平面不适宜使用直接装夹法和专用夹具装夹(见图3)进行平面磨削。使用挡铁装夹法,因冲孔凸模及固定板都没有直接接触磁力线,磁力很难传递到工件的大部分区域,很难保证工件装夹的牢固可靠,圆形冲孔凸模在多次维修更换后很容易在与固定板配合部分产生松动现象,磨削时一旦冲孔凸模发生转动现象,会产生很大的不安全因素。所以在磨削过程中必须谨慎操作,一般采用小进给量进行磨削加工,这样会导致生产效率低。
2.3 冲孔凸模刃口修磨问题
由于冲孔凸模直径较小,强度差,在平面磨床上磨削刃口时经常会出现冲孔凸模折断的现象。即使采用专用夹具、修整砂轮、减小磨削进给量、减小工作台往复运动速度等措施,冲孔凸模折断现象无明显改进,而且工作效率极低。如用手工修磨,对操作工人的技能要求高,生产效率极低、刃口表面粗糙度难以得到保证。
3 、电火花脉冲加工的方法
3.1 冲孔凸模外圆的加工
冲孔凸模两端不加工中心孔,粗车后进行“悬挂式”热处理,使用无心磨床磨削冲孔凸模工作部分。在无心外圆磨床上应用无心磨削法磨削工件外圆,工件不用顶尖定心和支承,而是放在砂轮和导轮之间,由托板和导轮支承,砂轮高速旋转进行磨削,导轮以较慢速度同向旋转,并带动工件旋转作圆周进给。一般无心磨床完全可以满足冲孔凸模的加工精度要求,而且生产率较高,易于实现自动化,大多用于大量生产,可由不很熟练的工人操作。使用无心磨床磨削冲孔凸模工作部分时,采用切入磨削法。

因冲孔凸模工作部分同冲孔凸模颈部(装配在固定板的部分)一般都有较高的同轴度要求,所以不适宜在无心磨床上磨削。现在可以采用加工套空心圆孔电极(见图4),用来加工冲孔凸模与固定板配合的颈部部分,保证尺寸精度、配合精度以及同轴度。此工艺不用加工中心孔,减少了加工步骤,降低了工作难度,提高了材料的利用率,提高了冲孔凸模形状及尺寸的加工精度,缩短了加工周期,降低了对操作工人的技能要求,较大程度提高了生产效率。

3.2 冲孔凸模长度的加工
采用专用夹具(见图5),利用电火花脉冲加工冲孔凸模顶部平面,电火花加工时主轴垂直移动;工具电极与工件表面有放电间隙,电极与工件不直接接触,工件不会因切削力作用而产生移动或转动的现象;电极运动终止位置由数控程序控制,尺寸加工精度高且便于控制。

该夹具底部采用高精度定位快速更换结构,可以快速更换夹具,并保证精确定位,保证了加工质量,提高了生产效率。
4、 电火花加工与传统机械加工的效果对比
使用电火花加工对冲孔凸模刃口部分进行修整加工,完全可以避免因切削力产生的冲孔凸模容易折断的工艺问题。工具电极为一个完整平面,冲孔凸模的高度可以得到精度很高的统一;电火花精加工有效的保证了冲孔凸模刃口部分的高锋利度、高表面质量,放电产生的高温在熔化和气化冲孔凸模表面金属的同时在刃口部分产生一层氧化层,提高了冲孔凸模表面的硬度,弥补了热处理不完善的工艺隐患,延长了冲孔凸模使用寿命。
(1)冲孔凸模工作部分直径磨削工艺对比如表1所示。

如果您有机床行业、企业相关新闻稿件发表,或进行资讯合作,欢迎联系本网编辑部, 邮箱:skjcsc@vip.sina.com
- target=_blank>多款发动机缸体并行试制工艺设计
- target=_blank>商用车变速器换挡性能探讨
- target=_blank> 双材质汽车冲压模具铸造工艺研究
- target=_blank>客车转向架例粱上下盖极喇造工艺玫迕
- target=_blank>6700转向节台阶孔加工新方案
- target=_blank>MB2120B型数控内圆磨床电主轴变频器的改造
- target=_blank>【雷尼绍】RESOLUTE™与MELSERVO-J5强强组合,实现更快速、精确、可靠的运动控制
- target=_blank>NSK开发低摩擦轮毂单元轴承 可增加电动汽车续航里程
- target=_blank>T68卧式镗床进给系统的数字化改造
- target=_blank>AGV+协作机器人在零件数控机床加工上下料中的应用
- target=_blank>2020年7月高端装备制造业、工业机器人,行业运行简述
- target=_blank>浅谈线切割机床中走丝与慢走丝
- target=_blank>ANCA整体PCD铣刀 —— 提高生产效率带来新的发展机遇
- target=_blank>伊斯卡,不止专注于金属加工
- target=_blank>EMAG成功收购Scherer Feinbau(舍勒公司),极大扩展了公司产品范围以及客户群体


