基于 PLC 和触摸屏的数控钻床控制系统
2018-9-28 来源: 广东石油化工学院 机电工程学院 作者:黄伯志 邓昌奇
摘 要:根据钻床加工的需求,设计一种数控钻床控制系统,系统采用 PLC 与触摸屏结合的自动控制。 介绍钻床的加工要求与工作原理,控制系统的软件设计,以及人机界面的设计实现过程。
关键词:PLC;触摸屏;数控钻床;设计;实现
传统的普通钻床钻孔的精度和效率受到工人的熟练程度、疲劳程度等人力因素影响较大,满足不了现代工业的发展需求,影响到企业的生存、发展和经济效益,因此大多数生产厂家都采用高度自动化的生产线。 为了使工业控制更加简单化、具体化,介绍一种基于 PLC 与触摸屏的人机界面数控钻床控制系统的设计,以方便操作者的操作与监控,来提高传统普通钻床控制精度和生产效率。
1 、控制要求
PLC与触摸屏控制钻床的加工要求 : 在触摸屏 ,操作者可轻轻地接触界面的图形与符号 ,实现自动、手动、启动、停止、急停等控制功能;在触摸屏可设定工件钻孔的孔数、进给量、进给循环次数;可在触摸屏显示钻头运行、工件旋转状态以及已钻孔的孔数。
2 、硬件设计
工作钻削时,工件固定在工作台上,钻头旋转为主运动,钻头轴向移动为进给运动。 数控钻床的刀具的进给和工件的旋转分别由两台步进电动机拖动,钻头的进给由步进电机控制上下移动,钻头主轴(设为 Z轴)旋转由三相交流电机驱动,转速由变频器调节控制,工件的旋转轴(设为 B 轴)由步进电机驱动,采用PLC 为控制核心。
系统硬件结构设计如图 1 所示。

图1系统硬件结构
3 、软件设计
3.1 PLC控制系统的 I/O 分配
根据系统设计方案要求,PLC 的输入元件包括启动、停止按钮,手动、自动工作方式选择切换开关,Z 轴主轴点动、B 轴点动按钮,B 轴清零按钮、 行程控制开关,Z 轴清零按钮,B 轴清零按钮, 控制 Z 轴正向和负向的行程限位开关等。 PLC 的输出元件包括 Z 轴步进电机三相绕组、B 轴步进电机三相绕组、 冷却液电机接触器线圈
、钻头主轴电机接触器线圈。
触摸屏画面上的按钮产生的信号不能送给 PLC 的输入继电器(如X000), 必须用辅助继电器 M 来传递 , 因 为它们的ON / OFF 状态惟 一地取决于外部输入电路的通断状态,不能用触摸屏上的按钮来改变。 PLC 的地址分配如表 1 所示。
表 1 PLC 的地址分配
3.2 程序流程
系统控制流程如图 2 所示。 初始化是检测所输入信号是否满足条件要求,如启动、过载的要求。 程序有手动控制程序和自动控制程序,手动控制程序包括主轴钻头上升或下降、工作台旋转等;自动控制程序包括冷却液开、主轴钻头旋转、自动上升或下降等。

图 2 系统控制流程
3.3 程序逻辑
PLC 是自动线控制系统的关键设备, 自动线在各种工作方式下的全部工作过程都是在 PLC 和触摸屏的监控下进行的。 选择 FX1N-24MT 型 PLC, 24VDC 稳压电源。
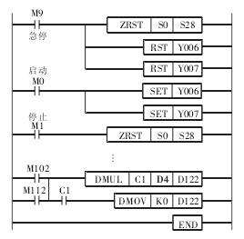
用 PLC 提供有关的指令编写梯形图,如图 3所示。

图 3 程序梯形图
4 、触摸屏画面设计
选用MT506T(320×240)触摸屏来实现系统控制。根据系统要求,触摸屏需要设置如下画面:
(1)开机显示的首页画面,如图 4 所示。
(2)功能画面,如图 5 所示。

图 4首页画面图 图5 功能画面
(3)设定参数画面,如图 6 所示。在按下“自动”前提下,单击“设定参数”按钮,画面将切换到设定参数画面,用户可以在此设定系统的相关参数。
(4)手动设定画面,如图 7 所示。

图6 设定参数画面 图 7 手动设定画面
在按下“手动”前提下,单击“手动设定”按钮,画面将切换到手动设定画面, 用户可以在此手动控制相关操作。
(5)数据显示画面,如图 8 所示。单击“数据显示”按钮,画面将切换到数据显示画面,用户可以观察自动运行的状态。
(6)操作说明画面,如图 9 所示。

图 8数据显示画面 图 9 操作说明画面
在首页画面,触控“操作说明”按钮,画面将切换到操作说明画面,用户可以在此查看系统的相关操作说明,阅读完后,任意触控其画面,画面将切换到首页画面。组态软件采用 Easy Builder500 。 编程好触摸屏画面后,即可进行编译:执行“工具”菜单命令,选择“编译”;编译通过后,将画面下载到触摸屏。
在下载屏幕文件之前,应使用规定的通信电缆连接触摸屏的通信接口与计算机的 RS-232C 接口,将触摸屏切换到下载模式,设置好通信参数,然后执行组态软件的下载命
令,将屏幕文件写入到触摸屏的存储器。
5 、结语
由于运用 PLC 与触摸屏的结合控制,因此 PLC 的I/O 点数较少,接线较为简单 。 经过安装与调试 ,系统运行后,人机界面显示清晰,使用方便,更加人性化,运行安全可靠,大大提高了生产效率,降低了劳动强度。
投稿箱:
如果您有机床行业、企业相关新闻稿件发表,或进行资讯合作,欢迎联系本网编辑部, 邮箱:skjcsc@vip.sina.com
如果您有机床行业、企业相关新闻稿件发表,或进行资讯合作,欢迎联系本网编辑部, 邮箱:skjcsc@vip.sina.com




